|
DRK空气电加热器 |
DRK空气电加热器是利用电能转换成热能的成套装置,具有能源供应方便,结构紧凑,温度自动控制便于安装维护无污染等优点。
本加热器由管状容器及电热元件组成,配以温度控制柜(台)构成,发热元件采用Cr18Ni19Ti不锈无缝管作保护套管,内部发热元件由OCr27Al17M02高温电阻丝,结晶氧化镁组成,温度控制采用可控硅调节,PID数字显示,在控温范围内,可任意设定所需温度,并自动保持恒温,控制温度±5℃并有越限声光报警和多项保护功能,可就地或远距离控制。
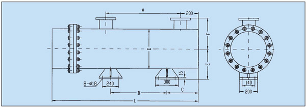
外形尺寸图:
 |
主要技术参数:
|
型号
|
DRK15
|
DRK30
|
DRK45
|
DRK60
|
DRK75 |
DRK90 |
DRK120 |
|
电加热器总功率(kw)
|
15
|
30
|
45
|
60
|
75 |
90 |
120 |
|
工作电压
|
220V |
|
额定电流(A)
|
3×23
|
3×46
|
3×70
|
3×92
|
3×115 |
3×140 |
3×185 |
|
常规介质压力(9.8×104pa)
|
2
|
|
常规介质出口最高温度
|
300℃
|
加热量(10  KJ/h)
|
43
|
86
|
30
|
172
|
215 |
260 |
344 |
|
温度调节范围 |
0-300℃
|
|
进出口管径 |
Dg80-Dg100
|
Dg100-Dg125
|
Dg125-Dg150
|
Dg125-Dg150
|
Dg150-Dg175 |
Dg175-Dg200 |
Dg175-Dg200 |
|
|
|
|
外形尺寸表: |
|
型号
|
A
|
B
|
L
|
C
|
E
|
F
|
D |
|
DRK-15
|
1155
|
900
|
1960
|
335
|
314
|
280
|
377 |
|
DRK-30
|
1740
|
1300
|
2562
|
430
|
260
|
314
|
370 |
|
DRK-45
|
1740
|
1300
|
2570
|
370
|
365
|
338
|
426
|
|
DRK-60
|
1740
|
1300
|
2600
|
370
|
370
|
400
|
478
|
|
DRK-75
|
2672
|
2047
|
3520
|
600
|
370
|
400
|
478
|
|
DRK-90
|
2672
|
2047
|
3520
|
600
|
370
|
400
|
478
|
|
DRK-120
|
2430
|
1800
|
3400
|
600
|
400
|
450
|
529
|
|
|